Optimization of IC-Engine using GT-power
In this project, the overview of how trade-off studies are performed in an automotive OEM to benchmark a product against its previous generation or another variant. And you will be using the GT-POWER tools to perform the optimization studies over the engine parameters. And the theory behind this operation is optimization algorithms and the final plots will give you the detailed insight of trade-off studies, which is already in practice in various leading automotive manufacturers
1 month
INR 30,000
Benefits of this Project
In this project, the overview of how trade-off studies are performed in an automotive OEM to benchmark a product against its previous generation or another variant. And you will be using the GT-POWER tools to perform the optimization studies over the engine parameters. And the theory behind this operation is optimization algorithms and the final plots will give you the detailed insight of trade-off studies, which is already in practice in various leading automotive manufacturers
What will you do in this project?
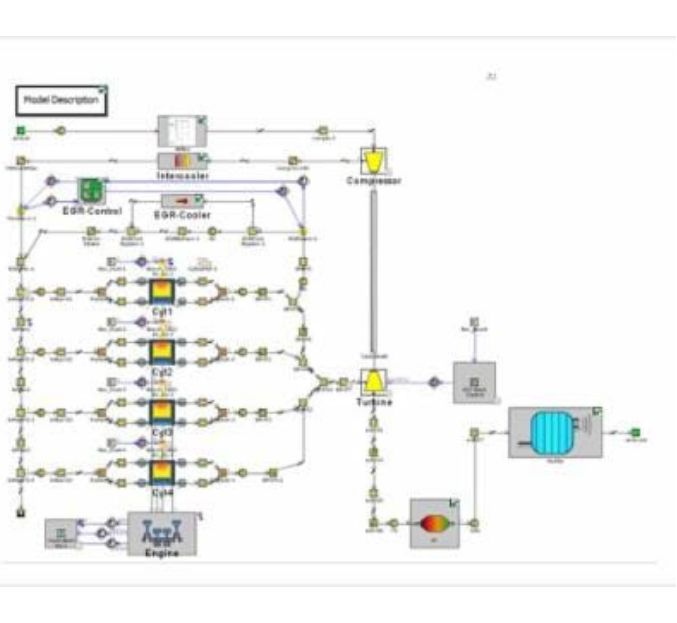
Step 1 - Get the suitable GT model which is having injection rate map for the optimization process
Step 2 - Check for the injection rate and start of injection values
Step 3 - Set the parameters in design optimizer
Fix the target goals for the optimization of the rail pressure and start of injection values to get the suitable BSFC and Nox responses
Get the final optimized outputs and responses from GT POWER for the defined cases
In this project, you will work on optimization of IC-Engine parameters using GT-power tool and the following points will give you the benefits of this project,
Similar Projects you might be interested:
1 month
Mechanical Systems (Automotive/Aerospace)
1 month
Mechanical Engineering , Automobile Engineering , Aerospace Engineering
1 month
Mechanical Engineering , Automobile Engineering , Aerospace Engineering
Project Highlights
Work on industrial lead tools
Pre-requisites
Work on advanced level project

Optimization of IC-Engine using GT-POWER
In this project, you will be working on design optimizer and GT-POWER's in built optimizer uses the NSGA III [ Non dominated sorting algorithm] to perform the trade-off studies between NOx emissions and BSFC on a detailed predictive combustion modelled CI engine and various other parameters influencing the same. This project will gives us the idea about the calibration of IC engine. Automotive OEMs follow this strategies to calibrate and optimize the engine specifications. It is complex to calibrate the engine with some large number of parameters, but this tool will makes you much better to optimize and decide your optimum values for the IC engine.