Aftertreatment Modelling for Diesel and Gasoline Engines
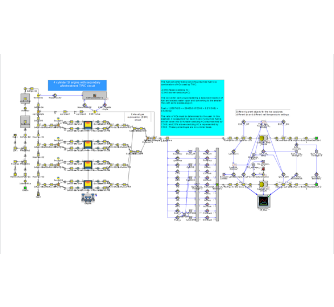
In this project you will be calibrating a detailed compression ignition & spark ignition + explicit engine model by observing the effects of engine operating parameters on emissions and the conversion efficiencies of catalysts, such as TWC [Three Way Cat Conn] and DOC-DPF-SCR with urea injector, on different pollutants.
1 month
INR 30,000
Benefits of this Project
In this project you will be calibrating a detailed compression ignition & spark ignition + explicit engine model by observing the effects of engine operating parameters on emissions and the conversion efficiencies of catalysts, such as TWC [Three Way Cat Conn] and DOC-DPF-SCR with urea injector, on different pollutants.
What will you do in this project?
Step 1 - Parameterization of an explicit SI engine + TWC model with inbuilt GPF [ Gasoline Particulate Filter]
Step 2 - Parameterization of an explicit CI engine + DOC [Diesel Oxidation Catalyst] - DPF [ Diesel Particulate Filter] - SCR [Selective Catalytic Reduction] with Urea Injector
Step 3 - GT-POST TWC Light-off temperature analysis / Lambda Monitor / TWC Conversion efficiency of different pollutants.
Step 4 - GT-POST DOC Monitor / Soot Retained Analysis / SCR Monitor
You will do the following in this project :
Project Highlights
Project difficulty - Intermediate
Pre-requisites
Work with Multiple Tools

Thermodynamic analysis of a tractor engine
In this project, you will be making use of the existing detailed Engine + Aftertreatment models in GT-POWER to understand the chemistry and the reaction mechanisms that goes behind modelling catalysts for a TWC [Three way catalytic converter]. You will also study the effect of light off temperature vs Conversion efficiency of pollutants for Spark ignition engines and the effect of catalyst temperature and Urea injection of a DOC [Diesel Oxidation catalyst] - DPF [ Diesel Particulate filer] - SCR [ Selective Catalytic Reduction] on Soot and NOx emissions.